關於我們
銷售商品
聯絡我們
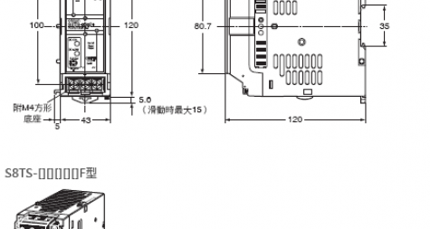
模塊電源(5_12_24V型)- S8TS
OMRON自動化元件
›
電源周邊裝置及其它
可連結電源。類似乾電池,可提升容量
聯絡我們
寶號 / 稱謂
*
電話或email
*
想傳送的訊息
*
CAPTCHA
請完成驗證問題