關於我們
銷售商品
聯絡我們
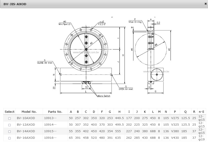
BV-JIS-AXOD
日揚科技
›
真空閥
›
真空蝶閥
›
BV-D 蝶閥系列
聯絡我們
寶號 / 稱謂
*
電話或email
*
想傳送的訊息
*
CAPTCHA
請完成驗證問題