支持DPM碼讀取二維條碼讀取器
DPM(Direct Part Marking)是廣泛應用於生產管理及品質管理的“直接零部件標識”。
讀取直接印字在產品上的二維條碼的讀碼器越來越受到重視。
對於雷射雕刻機刻印的二維條碼,LP-ABR10系列是最佳的讀碼器。
獨特的功能實現穩定讀取
用於生產線的讀碼器必須具備能穩定讀取各種不同形狀工件及產品表面上的二維條碼的性能。LP-ABR10系列搭載了三種獨特的功能,大大提高了讀取精度。可實現穩定的讀取。
支持DPM碼讀取二維條碼讀取器
DPM(Direct Part Marking)是廣泛應用於生產管理及品質管理的“直接零部件標識”。
讀取直接印字在產品上的二維條碼的讀碼器越來越受到重視。
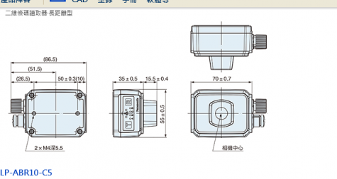
對於雷射雕刻機刻印的二維條碼,LP-ABR10系列是最佳的讀碼器。
獨特的功能實現穩定讀取
用於生產線的讀碼器必須具備能穩定讀取各種不同形狀工件及產品表面上的二維條碼的性能。LP-ABR10系列搭載了三種獨特的功能,大大提高了讀取精度。可實現穩定的讀取。